淄博XLP/A、B型旋風除塵器
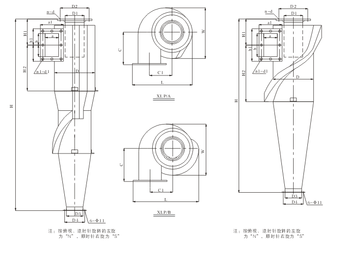
- XLP/A、B型旋風除塵器 是一種帶有旁路通道的高效旋風除塵器。XLP/A、B型旋風除塵器是除塵裝置的一類。除塵機理是使含塵氣流作旋轉運動,借助于離心力將塵粒從氣流中分離并捕集于器壁,再借助重力作用使塵
- 咨詢熱線:15030880899
-
產品詳情
-
聯系我們
XLP/A、B型旋風除塵器 是一種帶有旁路通道的高效旋風除塵器。XLP/A、B型旋風除塵器是除塵裝置的一類。除塵機理是使含塵氣流作旋轉運動,借助于離心力將塵粒從氣流中分離并捕集于器壁,再借助重力作用使塵粒落入灰斗。




淄博XLP/A、B型旋風除塵器廠家,淄博XLP/A、B型旋風除塵器價格,淄博XLP/A、B型旋風除塵器多少錢,淄博XLP/A、B型旋風除塵器哪家好







